TE热断路器(Thermal Circuit Breaker)W23系列特征如下:
Features
0.5 amp to 50 amp ratings may be used as on/off switch.
Cannot be reset against overload.
W23 has visible trip indicator band.
Screw termination.
Trip-free operation.





24848威尼斯专业致力于国防电子、航空航天、船舶、石油勘探、核能、高铁、特种车辆、兵器、工控等领域的配套产品供应。公司主营产品涵盖军工集成电路、军标级连接器、接插件
航空继电器、开关、断路器、恒温器、热缩管、导线线缆、航材材料等。
公司采购渠道覆盖全球,主要代理经销品牌有IR、MSC、Broadcom、AEC、Q-Tech、AirBorn、Amphenol、Axon、Glenair、Honeywell、Itt
cannon、TE、Souriau、Smiths、Leach、Sensata/Klixon、Eaton、Ledex 、Carlisle、Nexans、Harbour、Gore、Drake、PIC Wire、DMC等。
伟健电子秉承以诚信为本、追求卓越、互利共赢的宗旨,满足客户多元化的需求。
联系人:臧宏刚
电话:15384495506(微信同步)
QQ: 2330292221
公司网址:www.rygjg.com
地址:深圳市龙岗区坂田街道五和社区创汇国际中心706
传真:0755-23941921
E-mali:simon@rygjg.com
Agency Approvals
W23 are UL 1077 Recognized as Supplementary Protectors.File E69543, and CSA Accepted as Supplementary Protectors (Appliance Component Protectors), File LR15734.Users should thoroughly review the technical data before selecting a product part number. It is recommended that users also seek out the pertinent approvals files of the agencies/laboratories and review them to ensure the product meets the requirements for a given application.
Electrical Data @ +25°C
Calibration: Will continuously carry 100% of rating, may trip between
101% and 134% of rating at 25°C. Must trip at 135% in
one hour.
Maximum Operating Voltages: 50VDC or 240VAC (to 400 Hz).
Interrupting Capacity:
With 4X Max. Series Fuse Protection
0.5-50 amp models — 1000 amps at 240VAC.
30-50 amp models — 1000 amps at 50VDC.
Without 4X Max. Series Fuse Protection
0.5-25 amp models — 2000 amps at 50VDC.
10-20 amp models — 2000 amps at 120VAC.
Resettable Overload Capacity: Ten times rated current.
Dielectric Strength: Over 1,500 volts RMS.
Mechanical/Environmental Data
Endurance Cycling: More than 6,000 cycles at 100% of rating, or 10,000
mechanical cycles.
Humidity: Will meet requirements of MIL-STD-202, Method 106.
Salt Spray: Will meet requirements of MIL-STD-202, Method 101, Test
Condition B.
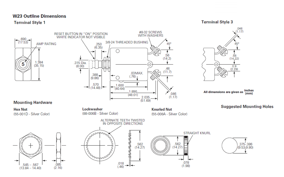
Termination: Two #8-32 screw terminals.
Mounting: W23 — Threaded bushing, 3/8” (9.53mm) diameter.
W31 — Threaded bushing, 15/32” (11.91mm) diameter, with or
without anti-rotation flats.
Weight: Less than 2 oz. (57g).
Ordering Information (订购信息):
Typical Part No. :W 23 -X 1 A 1 G -5
断路器 W58-XB1A4A-2
断路器 W58-XB1A4A-3
断路器 W58-XB1A4A-4
断路器 W58-XB1A4A-5
断路器 W58-XB1A4A-6
断路器 W58-XB1A4A-7
断路器 W58-XB1A4A-8
断路器 W58-XB1A4A-10
断路器 W58-XB1A4A-12
断路器 W58-XB1A4A-15
断路器 W58-XB1A4A-20
断路器 W58-XB1A4A-25
断路器 W58-XB1A4A-30
断路器 W58-XC4C12A-1
断路器 W58-XC4C12A-2
断路器 W58-XC4C12A-3
断路器 W58-XC4C12A-4
断路器 W58-XC4C12A-5
断路器 W58-XC4C12A-7
断路器 W58-XC4C12A-10
断路器 W58-XC4C12A-15
断路器 W58-XC4C12A-20
继电器 W58-XC4C12A-25
断路器 W58-XC4C12A-30
断路器 W28-XQ1A-0.25
断路器 W28-XQ1A-0.50
断路器 W28-XQ1A-0.75
断路器 W28-XQ1A-1
断路器 W28-XQ1A-2
断路器 W28-XQ1A-3
断路器 W28-XQ1A-4
断路器 W28-XQ1A-5
断路器 W28-XQ1A-6
断路器 W28-XQ1A-7
断路器 W28-XQ1A-8
断路器 W28-XQ1A-10
断路器 W51-A122B1-10
断路器 W51-A122B1-15
断路器 W51-A122B1-20
断路器 W51-A152B1-5
断路器 W51-A152B1-10
断路器 W51-A152B1-15
断路器 W51-A152B1-20
断路器 W33-S1N1Q-5
断路器 W33-S1N1Q-15
断路器 W33-S1N1Q-20
断路器 W33-S4B1Q-10
断路器 W33-S4B1Q-15
功率继电器 SRUDH-SH-112M1 TYCO
功率继电器 RT114024F TYCO
功率继电器 RTB14005F TYCO
功率继电器 RTE24012F TYCO
功率继电器 RTE24024F TYCO
功率继电器 RTE44012F TYCO
功率继电器 RTE44024F TYCO
功率继电器 RTB14524F TYCO
功率继电器 RTB14615F TYCO
功率继电器 RTB14730F TYCO
功率继电器 RTD14524F TYCO
功率继电器 RTD14615F TYCO
功率继电器 RTE14730F TYCO
功率继电器 OMEH-SH-105D TYCO
功率继电器 OMEH-SH-112D TYCO
功率继电器 OMEH-SH-124D TYCO
功率继电器 OMEH-SH-105L TYCO
功率继电器 OMEH-SH-112L TYCO
功率继电器 OMEH-SH-124L TYCO
功率继电器 OMI-SH-205D TYCO
功率继电器 OMI-SH-212D TYCO
功率继电器 OMI-SH-224D TYCO
功率继电器 OZ-SH-124LM1 TYCO
功率继电器 OZ-HS-105L TYCO
功率继电器 OZ-HS-112L TYCO
功率继电器 OZ-HS-124L TYCO
功率继电器 OMIT-SS-105LM TYCO
功率继电器 OMIT-SS-112LM TYCO
功率继电器 OMIT-SS-124LM TYCO
功率继电器 OMIF-S-105LM TYCO
功率继电器 OMIF-S-112LM TYCO
功率继电器 OMIF-S-124LM TYCO
功率继电器 PCI-205DM TYCO
功率继电器 PCI-212DM TYCO
功率继电器 PCI-224DM TYCO
功率继电器 OSA-SS-205DM3 TYCO
功率继电器 OSA-SS-212DM3 TYCO
功率继电器 OSA-SS-224DM3 TYCO
功率继电器 OSA-SS-205DM5 TYCO
功率继电器 OSA-SS-212DM5 TYCO
功率继电器 OSA-SS-224DM5 TYCO
功率继电器 OSZ-SS105DM TYCO
功率继电器 SDT-S-112LMR TYCO
功率继电器 SDT-S-124LMR TYCO
功率继电器 PCK-105D2M TYCO
功率继电器 PCK-112D2M TYCO
功率继电器 PCK-124D2M TYCO
功率继电器 V23057-A0006-A101 TYCO
功率继电器 V23057-A0012-A101 TYCO
功率继电器 V23057-A0024-A101 TYCO
功率继电器 RP410005 TYCO
功率继电器 RP410012 TYCO
功率继电器 RP410024 TYCO
功率继电器 RP3SLF05 TYCO
功率继电器 RP3SLF12 TYCO
功率继电器 RP3SLF24 TYCO
功率继电器 V23077-A1005A403 TYCO
功率继电器 V23077-A1012A403 TYCO
功率继电器 V23077-A1024A403 TYCO
功率继电器 0410-83-064-001 TYCO
功率继电器 PCG-2005D2MN TYCO
功率继电器 PCG-2012D2MN TYCO
功率继电器 PCG-2024D2MN TYCO
功率继电器 T90S5D12-12 TYCO
功率继电器 T90S5D12-24 TYCO
功率继电器 T90S5D24-24 TYCO
功率继电器 T9A-S-5D2205 TYCO
功率继电器 T9A-S-5D2212 TYCO
功率继电器 T9A-S-5D2224 TYCO
功率继电器 491-21T200 TYCO
功率继电器 T92P7A22-240 TYCO
功率继电器 T92P7D12-12 TYCO
功率继电器 T92P7D12-24 TYCO
功率继电器 V23047A1012A501 TYCO
功率继电器 V23047A1024A501 TYCO
功率继电器 V23047A1048A501
功率继电器 V23092A1024A301
功率继电器 T75S5D112-05
功率继电器 T75S5D112-12
功率继电器 T75DS5D112-24
功率继电器 PCJ-105D3MH
功率继电器 PCJ-112D3MH
功率继电器 PCJ-124D3MH
功率继电器 PCH-105D2H
功率继电器 PCH-112D2H
功率继电器 PCH-124D2H TYCO
功率继电器 T77S1D10-12 TYCO
功率继电器 T77S1D10-24 TYCO
功率继电器 OJ-SH-105HM TYCO
功率继电器 OJ-SH-112HM TYCO
功率继电器 OJ-SH-124HM TYCO
功率继电器 OJE-SH-105DM TYCO
功率继电器 OJE-SH-112DM TYCO
功率继电器 OJE-SH-124DM TYCO
功率继电器 OJE-SH-112HM TYCO
功率继电器 OJE-SH-105LMH TYCO
功率继电器 OJE-SH-124LMH TYCO
功率继电器 OJE-SH-112LMH TYCO
功率继电器 PB114012 TYCO
功率继电器 PB114024 TYCO
功率继电器 T73S5D15-05 TYCO
功率继电器 PCE-112D1MH TYCO